Enofazni tester zaščitnih relejev z možnostjo nastavljanja faznega zamika U/I:
| Tokovni vir | 3 izhodi z različnimi dosegi: 0-100 A: 30 A kontinuirano, 200 A max (1 sek) 0-40 A: 12 A kontinuirano, 80 A max (1 sek) 0-10 A: 5 A kontinuirano, 20 A max (2 sek) Enosmerni tok: 2 A za 10 min |
| Napetostni vir | 0-250 V AC, 0-300 V DC |
| Dodatni napetostni vir | 5-220 V AC 15-550 Hz 0-360° glede na glavni napetostni vir |
| Vir za pomožno napajanje | 20-220 V DC, 88 W |
| Digitalni vhodi | 1 x START VHOD 1 x STOP VHOD Oba vhoda sta lahko krmiljena tudi interno Oba vhoda lahko zaznata poljubno spremembo sklenjenosti ali zaznava prisotnost/odsotnost napetosti |
| Meritev časa | Proženo interno ali z digitalnimi vhodi Možna meritev APV sekvenc (do 49 vklopov) Do 999,9 sek, najboljša ločljivost 1 ms |
| Relejski izhodi | 1 x relejski izhod (NO, NC) |
| Merilni vhodi | Interna meritev toka tokovnih izhodov Merilni vhod 0-600.0 V AC/DC Merilni vhod 0-6.000 A AC/DC |
| Komunikacijski vmesniki | USB |
Opcije: (gl. slike zgoraj)
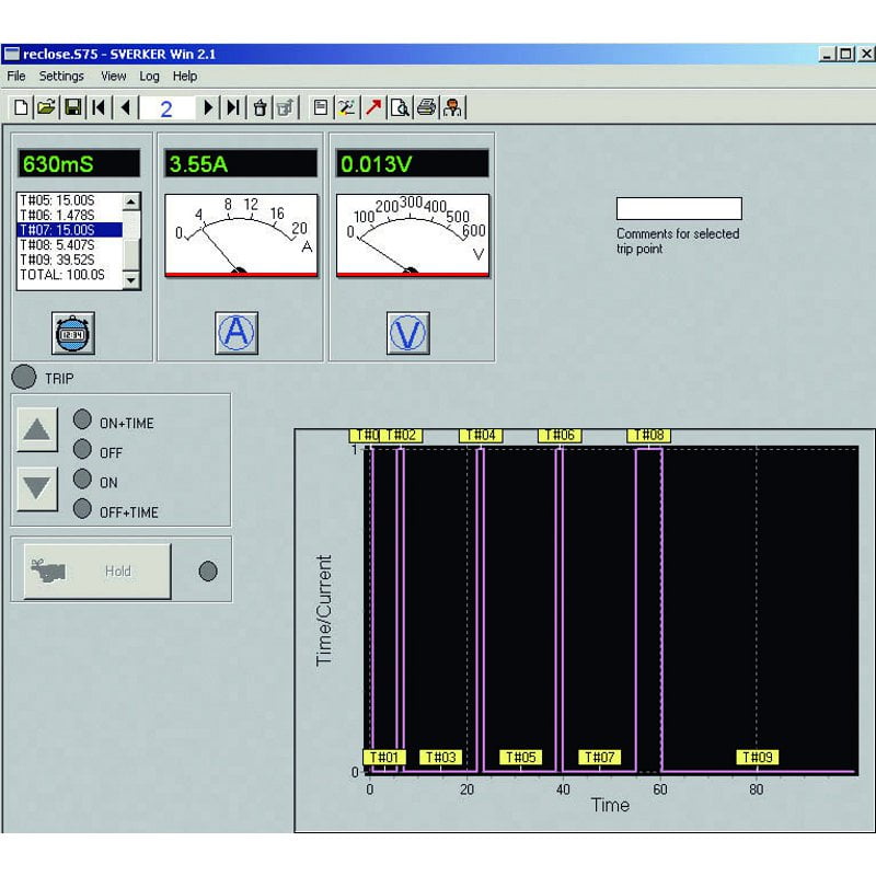
- SverkerWIN programski paket za PC, ki omogoča samodejno proženje merite v, beleženje rezultatov, grafični prikaz rezultatov, pripravo referenčnih krivulj, nastavljanje funkcionalnosti instrumenta, izpis poročil… Nastavljanje izhodnih veličin je še vedno ročno na sprednji plošči instrumenta. Licenca je vezana na serijsko številko instrumenta in ne omejuje števila računalnikov ali uporabnikov.
- CSU20A dodatni napetosti/tokovni vir, primarno namenjen preizkušanju diferenčnih zaščit s Sverker testerji. Na ta način dobimo na voljo dodaten neodvisen tokovni vir, medtem ko vse meritve še vedno izvaja merilni del na Sverker-ju. Poleg običajnega AC izhoda sta na voljo še polno usmerjeni in polvalno usmerjeni izhod za preizkušanje blokad na osnovi harmonskih popačitev (angl. harmonic restraint).
- PSS750 je preprost pripomoček, ki omogoča trifazno priključitev Sverker-ja na zaščitni rele. S preklopko prosto izbiramo kombinacijo faz, na katere želimo priključiti Sverker za naslednji test.










