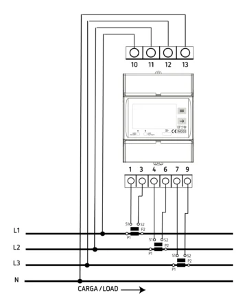
CEM-311-MID je trofazni števec električne energije z indirektnim merjenjem …/5 A, z možnostjo plombiranja priključnih sponk in komunikacijo Modbus RS-485 in MID certifikatom.
- MID certifikat
- Razred 1 za aktivno energijo (razred B po MID), razred 2 za jalovo energijo.
- Skladen z EN 50470 (evropski MID standard).
- Kompaktna izvedba (4 moduli za DIN letev).
- Ponastavljiv delni števec energije.
- 2x digitalni vhod za tarifno krmiljenje in štetje impulzov.
- Tarifni koledar (obračun po časovnih pasovih).
- Komunikaciji Modbus RS-485.
- Prikaz osnovnih električnih parametrov (V, A, kW, kWh, PF itd.).
UPORABA
- Števec za interne meritve porabe (sub-metering).
- Uporabe, kjer so za verifikacijo porabe in obračun zahtevani certificirani MID števci.
- Števec za preverjanje energije, ki jo zaračuna distributer električne energije.
- Poročanje o porabi energije in povezljivost s sistemi SCADA.
- Nadzor energije in stroškov v industrijskih procesih.
Več podrobnosti si lahko ogledate na spletni strani TUKAJ.












